交流充电桩在使用前,需要做一系列测试(交流输入特性、讯号输出特性、时序和瞬时特性、保护功能等)。直流充电设备输出电压较高,功率较大,属于快速充电,直接对电动车内的动力电池充电。因此充电桩和直流充电机的测试尤其重要。
大街上可以看到形形色色的充电桩,充电桩只是充电站电气系统的一部分。完整的充电站电气系统包括供电系统、充电系统、监控系统三大部分。
供电系统主要为充电设备提供电源,主要由一次设备(开关、变压器、线路等)和二次设备(包括检测、保护、控制装置等)组成,专门配备有源滤波装置消除谐波,稳定电网。
充电设备是整个充电站电气系统的核心部分,一般分直流充电装置和交流充电装置(桩),直流充电装置,即非车载充电机,实现电池快速充电功能。交流充电桩主要提供车辆慢充的功能,输出为交流电,连接车载充电器。
充电监控系统由一台或多台工作站或服务器组成,可以包括监控工作站、数据服务器等,这些计算机通过网络联结。监控工作站提供充电监控人机交互界面,实现充电机的监控和数据收集、查询等工作;数据服务器存储整个充电系统的原始数据和统计分析数据等,提供数据服务及其他应用服务。
供电系统标准要求
a.供电电源要求
充电站应采用10(20)KV电压等级供电;
交流充电桩应采用380V或220V电压等级供电;
直流充电桩应采用380V电压等级供电。
b.电能质量要求
供电电源电压偏差应符合,10(20)KV以及以下三相供电的电压偏差不得超过标称电压的±7。220V单相供电的电压偏差不得超过标称电压的+7%、-10%;频率偏差不得超过±0.2Hz;
公共电网谐波电压的限值要求10(20)KV三相电压总谐波畸变率小于5%、380V三相电压总谐波畸变率小于4%;
保证最大负荷运行时变压器10(20)KV侧功率因数不低于0.95。
c.电气计量要求
需要测量和计量能效的部分包括:变压器高低压侧进线、充电机回路、充电桩供电回路。准确度要求应负荷GB/T 50063-2008和DL/T 5137-2008的规定。
交流充电桩原理
交流充电桩电气系统如图 2所示,主回路由输入保护断路器、交流智能电能表、交流控制接触器和充电接口连接器组成;二次回路由控制继电器、急停按钮、运行状态指示灯、充电桩智能控制器和人机交互设备(显示、输入、刷卡)组成。
直流充电桩原理
直流充电桩电气系统三相电网输入交流电,经过三相桥式不可控整流电路整流变成直流电,滤波后提供给高频DC-DC功率变换器,功率变换器经过直直变换输出需要的直流,再次滤波后为纯电动汽车动力蓄电池充电。

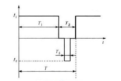
新型的直流充电桩采用快速充电法,该系统区别于传统充电器所采用的连续电流充电和脉冲电流充电方式,采用了智能化的变脉冲充电方式,即采用下图所示的充电电流脉冲,包括充电脉冲T1间歇脉冲T2以及放电脉冲T3。通过间歇停充,使蓄电池经化学反应产生的氧气和氢气有时间重新化合而被吸收掉,使下一轮的恒流充电能够更加顺利地进行,使蓄电池可以吸收更多的电量。
标准式交流电源APA1000系列和
智能式交流电源APA2000系列电源,可以完全保障交流充电桩的可靠性测试,并且可以通过RS232或者RS485接口和电脑连接,自行编辑测试程序进行自动测试,自动记录测试数据,更好地进行研发和制造。
标准式直流电源APD1000系列和
智能式直流电源APD2000系列电源,可以完全保障直流充电机的可靠性测试,并且可以通过RS232或者RS485接口和电脑连接,自行编辑测试程序进行自动测试,自动记录测试数据,更好地进行研发和制造。