专业变频电源、直流电源、稳压电源、航空电源研发、生产、销售及售后服务

直流电源中的滤波电路

滤波(交流滤波)的基本概念:滤波电路利用电抗性元件对交、直流阻抗的不同,实现滤波。电容器C对直流开路,对交流阻抗小,所以C应该并联在负载两端。电感器L对直流阻抗小,对交流阻抗大,因此L应与负载串联。经过滤波电路后,既可保留直流分量,又可滤掉一部分交流分量,改变了交直流成分的比例,减小了电路的脉动系数,改善了直流电压的质量。
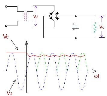
(1)电容滤波,所示在负载电阻上并联了一个滤波电容C。电容是隔直通交,电压不能突变。所以只能并联在电路中,直流电从负载过,交流电就从电容过,从而达到滤波的目的。由于电容的储能作用,使得输出波形比较平滑。电容放电的时间τ=RLC越大,放电过程越慢,输出电压中脉动 (纹波:是主电流信号附带的杂讯成分,小幅度交流电,无法完全隔绝,一般要求在主电压的1%内即可,如供电12V,那么要求电源的纹波不能大于120毫伏) 成分越少,滤波效果越好(电压平滑)。
 
(2)电感滤波,利用储能元件电感器L的电流不能突变的性质,把电感L与整流电路的负载RL相串联,也可以起到滤波的作用。电感是隔交通直,所以说要串联。从能量的观点看,当电源提供的电流增大 (由电源电压增加引起) 时,电感器L把能量存储起来;而当电流减小时,又把能量释放出来,使负载电流平滑,所以电感L有平波作用(电流平滑)。

 
缺点:存在铁心,笨重、体积大,易引起电磁干扰,一般只适应于低电压、大电流的场合。
产品推荐
在线客服
0769-89616802
136 0235 3727
(微信同号)

全力电子
ADMIRE POWER